
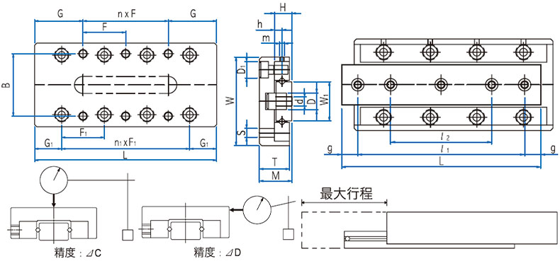
| 公 称 型 号 | 主要尺寸 | 台面尺寸 | |||||||||||||
|---|---|---|---|---|---|---|---|---|---|---|---|---|---|---|---|
| 大 行程 |
宽W ±0.1 |
高M ±0.1 |
长 L ±0.1 |
台面螺丝位 | F1 | n1×F1 | D1 | G1 | |||||||
| B | F | M×P | G | S | |||||||||||
| WRGT 1025B WRGT 1035B WRGT 1045B WRGT 1055B WRGT 1065B WRGT 1075B WRGT 1085B |
12 18 25 32 40 45 50 |
20 | 8 | 25 35 45 55 65 75 85 |
14 | 18 28 20 30 20 30 30 |
1×18 1×28 1×20 1×30 2×20 1×30 2×30 |
3.5 3.5 12.5 12.5 12.5 22.5 12.5 |
M2.6 | 10 | 1×10 2×10 3×10 4×10 5×10 6×10 7×10 |
4.1 | 7.5 | ||
| WRGT 2035B WRGT 2050B WRGT 2065B WRGT 2080B WRGT 2095B WRGT 2110B WRGT 2125B |
18 30 40 50 60 70 80 |
30 | 12 | 35 50 65 80 95 110 125 |
22 | 28 43 30 45 30 45 45 |
1×28 1×43 1×30 1×45 2×30 1×45 2×45 |
3.5 3.5 17.5 17.5 17.5 32.5 17.5 |
M3 | 15 | 1×15 2×15 3×15 4×15 5×15 6×15 7×15 |
6 | 10 | ||
| WRGTB 3055B WRGT 3080B WRGT 3105B WRGT 3130B WRGT 3155B WRGT 3180B WRGT 3205B |
30 45 60 75 90 105 130 |
40 | 16 | 55 80 105 130 155 180 205 |
30 | 40 65 50 75 50 75 75 |
1×40 1×65 1×50 1×75 2×50 1×75 2×75 |
7.5 7.5 27.5 27.5 27.5 52.5 27.5 |
M4 | 25 | 1×25 2×25 3×25 4×25 5×25 6×25 7×25 |
7.5 | 15 | ||

| 公 称 型 号 | 侧面尺寸 | 培司面面积附着孔位置 | 基本额定负荷 | 精度 μm | |||||||||
|---|---|---|---|---|---|---|---|---|---|---|---|---|---|
| T | H | W |
m | d×D×h | l |
l |
g | 动 C (kN) |
静 Co (kN) |
⊿C | ⊿D | ||
| WRGT 1025B WRG 1035B WRG 1045B WRG 1055B WRG 1065B WRG 1075B WRG 1085B |
7.5 | 4 | 6.6 | M2 | 2.5×4.1×2.2 | 18 25 38 48 55 65 75 |
- - 25 29 31 35 40 |
3.5 5.0 3.5 3.5 5.0 5.0 5.0 |
0.46 0.63 0.95 1.09 1.23 1.50 1.63 |
0.61 0.92 1.53 1.84 2.14 2.75 3.06 |
2 2 2 2 2 2 2 |
4 4 5 5 5 5 5 |
|
| WRGT 2035B WRGT 2050B WRGT 2065B WRGT 2080B WRGT 2095B WRGT 2110B WRGT 2125B |
11.5 | 6 | 12.0 | M2 | 3.5×6×3.2 | 25 35 55 70 85 95 110 |
- - 33 40 45 50 55 |
5.0 7.5 5.0 5.0 5.0 7.5 7.5 |
0.46 0.64 0.81 1.11 1.25 1.39 1.52 |
1.08 1.63 2.17 3.25 3.79 4.34 4.88 |
2 2 2 2 2 2 2 |
4 4 5 5 5 5 5 |
|
| WRGT 3055B WRGT 3080B WRGT 3105B WRGT 3130B WRGT 3155B WRGT 3180B WRGT 3205B |
15.5 | 8 | 16.0 | M2 | 4.5×7.5×4.2 | 40 68 90 115 140 165 190 |
- 43 55 65 95 85 90 |
7.5 6.0 7.5 7.5 7.5 7.5 7.5 |
2.71 4.06 4.68 5.86 6.98 8.05 8.57 |
3.67 6.11 7.33 9.78 12.2 14.7 15.9 |
2 2 3 3 3 3 3 |
5 5 6 6 6 6 6 |
|