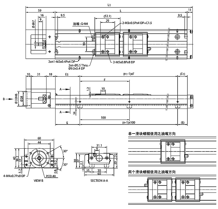
轨道长度L | 总长度L1 | 大行程范围 | E | n | E1 | n1 | F | 总重量 (kg) | ||
A型 | B型 | A型 | B型 | |||||||
150 | 220 | 54.5 | - | 25 | 2 | 25 | 2 | 100 | 1.5 | - |
200 | 270 | 104.5 | - | 50 | 2 | 50 | 2 | 100 | 1.81 | - |
300 | 370 | 204.5 | 128 | 50 | 3 | 50 | 2 | 200 | 2.39 | 2.74 |
400 | 470 | 304.5 | 228 | 50 | 4 | 100 | 2 | 200 | 2.98 | 3.33 |
500 | 570 | 404.5 | 328 | 50 | 5 | 50 | 3 | 200 | 3.68 | 4.03 |
600 | 670 | 504.5 | 428 | 50 | 6 | 100 | 3 | 200 | 4.29 | 4.64 |
单位:mm 注: B型的大行程为两个滑块螺帽紧密连接的数值。 |
轨道长度L | 总长度L1 | 大行程范围 | 总重量 (kg) | ||
A型 | B型 | A型 | B型 | ||
150 | 220 | 54.5 | - | 1.7 | - |
200 | 270 | 104.5 | - | 2.01 | - |
300 | 370 | 204.5 | 128 | 2.59 | 3.04 |
400 | 470 | 304.5 | 228 | 3.21 | 3.66 |
500 | 570 | 404.5 | 328 | 3.92 | 4.37 |
600 | 670 | 504.5 | 428 | 4.54 | 4.99 |
单位:mm 注: B型的大行程为两个滑块螺帽紧密连接的数值。 |
轨道长度L | 总长度L1 | 大行程范围 | E | n | E1 | n1 | F | 总重量 (kg) | ||
C型 | D型 | C型 | D型 | |||||||
150 | 220 | 78.8 | 26.6 | 25 | 2 | 25 | 2 | 100 | 1.4 | 1.63 |
200 | 270 | 128.8 | 76.6 | 50 | 2 | 50 | 2 | 100 | 1.69 | 1.92 |
300 | 370 | 228.8 | 176.6 | 50 | 3 | 50 | 2 | 200 | 2.28 | 2.51 |
400 | 470 | 328.8 | 276.6 | 50 | 4 | 100 | 2 | 200 | 2.88 | 3.11 |
500 | 570 | 428.8 | 376.6 | 50 | 5 | 50 | 3 | 200 | 3.56 | 3.79 |
600 | 670 | 528.8 | 476.6 | 50 | 6 | 100 | 3 | 200 | 4.17 | 4.4 |
单位:mm 注: B型的大行程为两个滑块螺帽紧密连接的数值。 |
轨道长度L | 总长度L1 | 大行程范围 | 总重量 (kg) | ||
C型 | D型 | C型 | D型 | ||
150 | 220 | 78.8 | 26.6 | 1.51 | 1.76 |
200 | 270 | 128.8 | 76.6 | 1.82 | 2.07 |
300 | 370 | 228.8 | 176.6 | 2.45 | 2.70 |
400 | 470 | 328.8 | 276.6 | 3.09 | 3.34 |
500 | 570 | 428.8 | 376.6 | 3.82 | 4.07 |
600 | 670 | 528.8 | 476.6 | 4.47 | 4.72 |
单位:mm 注: B型的大行程为两个滑块螺帽紧密连接的数值。 |